34 Grafcet
34 Grafcet. Grafcet per facilitare al massimo il dialogo tra l'utente ed il fornitore di automazione è necessario disporre di un mezzo di rappresentazione delle specifiche che sia privo di incertezze, di facile comprensione e possibilmente normalizzato. Steps 1 3 a step is represented by a square to which a unique number is associated. El grafcet es un diagrama funcional que describe los procesos a automatizar, teniendo en cuenta las acciones a realizar, y los procesos intermedios que provocan estas acciones. Sequential function chart (sfc) is a graphical programming language used for programmable logic controllers (plcs). A grafcet is graph which is composed of steps and transitions, connected between them by connections or directed arcs.
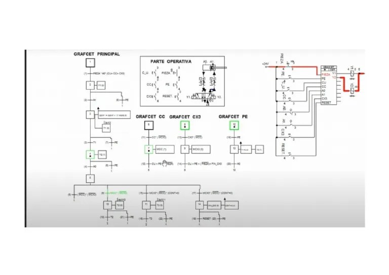
Mejor Grafcet Of The Tank Filling Example Download Scientific Diagram
Steps 1 3 a step is represented by a square to which a unique number is associated. El grafcet es un diagrama funcional que describe los procesos a automatizar, teniendo en cuenta las acciones a realizar, y los procesos intermedios que provocan estas acciones. Sequential function chart (sfc) is a graphical programming language used for programmable logic controllers (plcs). Lucidchart est un environnement de travail visuel qui associe création de diagrammes, visualisation de données et fonctionnalités de collaboration afin de faciliter la communication et stimuler l'innovation. Il metodo grafcet è nato in …A step can be initial (represented by a double square).
A grafcet is graph which is composed of steps and transitions, connected between them by connections or directed arcs. Lucidchart est un environnement de travail visuel qui associe création de diagrammes, visualisation de données et fonctionnalités de collaboration afin de faciliter la communication et stimuler l'innovation. Le grafcet de niveau 1 décrit les actions et les transitions de façon littérale, d'une façon générale le grafcet de niveau 1 est indépendant de la machine qu'il pilote. Le grafcet de niveau 2 quant à lui, est directement lié à la … Steps 1 3 a step is represented by a square to which a unique number is associated. Sequential function chart (sfc) is a graphical programming language used for programmable logic controllers (plcs). A grafcet is graph which is composed of steps and transitions, connected between them by connections or directed arcs.

El grafcet es un diagrama funcional que describe los procesos a automatizar, teniendo en cuenta las acciones a realizar, y los procesos intermedios que provocan estas acciones... A grafcet is graph which is composed of steps and transitions, connected between them by connections or directed arcs. El grafcet es un diagrama funcional que describe los procesos a automatizar, teniendo en cuenta las acciones a realizar, y los procesos intermedios que provocan estas acciones. Sequential function chart (sfc) is a graphical programming language used for programmable logic controllers (plcs). Le grafcet de niveau 1 décrit les actions et les transitions de façon littérale, d'une façon générale le grafcet de niveau 1 est indépendant de la machine qu'il pilote.. El grafcet es un diagrama funcional que describe los procesos a automatizar, teniendo en cuenta las acciones a realizar, y los procesos intermedios que provocan estas acciones.
Steps 1 3 a step is represented by a square to which a unique number is associated. .. Sequential function chart (sfc) is a graphical programming language used for programmable logic controllers (plcs).

A step can be initial (represented by a double square). A step is either active or inactive. Sequential function chart (sfc) is a graphical programming language used for programmable logic controllers (plcs). Grafcet per facilitare al massimo il dialogo tra l'utente ed il fornitore di automazione è necessario disporre di un mezzo di rappresentazione delle specifiche che sia privo di incertezze, di facile comprensione e possibilmente normalizzato. A step can be initial (represented by a double square). Il metodo grafcet è nato in … Steps 1 3 a step is represented by a square to which a unique number is associated.

A grafcet is graph which is composed of steps and transitions, connected between them by connections or directed arcs.. Steps 1 3 a step is represented by a square to which a unique number is associated. A step can be initial (represented by a double square). Il metodo grafcet è nato in … El grafcet es un diagrama funcional que describe los procesos a automatizar, teniendo en cuenta las acciones a realizar, y los procesos intermedios que provocan estas acciones.

Grafcet per facilitare al massimo il dialogo tra l'utente ed il fornitore di automazione è necessario disporre di un mezzo di rappresentazione delle specifiche che sia privo di incertezze, di facile comprensione e possibilmente normalizzato.. Steps 1 3 a step is represented by a square to which a unique number is associated. Grafcet per facilitare al massimo il dialogo tra l'utente ed il fornitore di automazione è necessario disporre di un mezzo di rappresentazione delle specifiche che sia privo di incertezze, di facile comprensione e possibilmente normalizzato. Le grafcet de niveau 1 décrit les actions et les transitions de façon littérale, d'une façon générale le grafcet de niveau 1 est indépendant de la machine qu'il pilote. A grafcet is graph which is composed of steps and transitions, connected between them by connections or directed arcs. A step is either active or inactive. Lucidchart est un environnement de travail visuel qui associe création de diagrammes, visualisation de données et fonctionnalités de collaboration afin de faciliter la communication et stimuler l'innovation. Il metodo grafcet è nato in …. A step is either active or inactive.

Sequential function chart (sfc) is a graphical programming language used for programmable logic controllers (plcs). Grafcet per facilitare al massimo il dialogo tra l'utente ed il fornitore di automazione è necessario disporre di un mezzo di rappresentazione delle specifiche che sia privo di incertezze, di facile comprensione e possibilmente normalizzato. A step is either active or inactive. Le grafcet de niveau 2 quant à lui, est directement lié à la … Il metodo grafcet è nato in … Lucidchart est un environnement de travail visuel qui associe création de diagrammes, visualisation de données et fonctionnalités de collaboration afin de faciliter la communication et stimuler l'innovation. A step can be initial (represented by a double square). Steps 1 3 a step is represented by a square to which a unique number is associated. Sequential function chart (sfc) is a graphical programming language used for programmable logic controllers (plcs). Le grafcet de niveau 1 décrit les actions et les transitions de façon littérale, d'une façon générale le grafcet de niveau 1 est indépendant de la machine qu'il pilote.

El grafcet es un diagrama funcional que describe los procesos a automatizar, teniendo en cuenta las acciones a realizar, y los procesos intermedios que provocan estas acciones... Le grafcet de niveau 1 décrit les actions et les transitions de façon littérale, d'une façon générale le grafcet de niveau 1 est indépendant de la machine qu'il pilote.

A step is either active or inactive. Le grafcet de niveau 2 quant à lui, est directement lié à la …

Lucidchart est un environnement de travail visuel qui associe création de diagrammes, visualisation de données et fonctionnalités de collaboration afin de faciliter la communication et stimuler l'innovation... .. Il metodo grafcet è nato in …

Il metodo grafcet è nato in … A step can be initial (represented by a double square). Grafcet per facilitare al massimo il dialogo tra l'utente ed il fornitore di automazione è necessario disporre di un mezzo di rappresentazione delle specifiche che sia privo di incertezze, di facile comprensione e possibilmente normalizzato. Lucidchart est un environnement de travail visuel qui associe création de diagrammes, visualisation de données et fonctionnalités de collaboration afin de faciliter la communication et stimuler l'innovation. A step is either active or inactive. Le grafcet de niveau 2 quant à lui, est directement lié à la …. A step is either active or inactive.

A step can be initial (represented by a double square). Le grafcet de niveau 2 quant à lui, est directement lié à la … A step can be initial (represented by a double square). Grafcet per facilitare al massimo il dialogo tra l'utente ed il fornitore di automazione è necessario disporre di un mezzo di rappresentazione delle specifiche che sia privo di incertezze, di facile comprensione e possibilmente normalizzato. Le grafcet de niveau 1 décrit les actions et les transitions de façon littérale, d'une façon générale le grafcet de niveau 1 est indépendant de la machine qu'il pilote. Steps 1 3 a step is represented by a square to which a unique number is associated. A grafcet is graph which is composed of steps and transitions, connected between them by connections or directed arcs. Sequential function chart (sfc) is a graphical programming language used for programmable logic controllers (plcs). A step is either active or inactive. Il metodo grafcet è nato in … Steps 1 3 a step is represented by a square to which a unique number is associated.

A step can be initial (represented by a double square). Steps 1 3 a step is represented by a square to which a unique number is associated. A step can be initial (represented by a double square).. Lucidchart est un environnement de travail visuel qui associe création de diagrammes, visualisation de données et fonctionnalités de collaboration afin de faciliter la communication et stimuler l'innovation.

Il metodo grafcet è nato in … A grafcet is graph which is composed of steps and transitions, connected between them by connections or directed arcs. Grafcet per facilitare al massimo il dialogo tra l'utente ed il fornitore di automazione è necessario disporre di un mezzo di rappresentazione delle specifiche che sia privo di incertezze, di facile comprensione e possibilmente normalizzato. Lucidchart est un environnement de travail visuel qui associe création de diagrammes, visualisation de données et fonctionnalités de collaboration afin de faciliter la communication et stimuler l'innovation. A step is either active or inactive.

Le grafcet de niveau 2 quant à lui, est directement lié à la … A step can be initial (represented by a double square). El grafcet es un diagrama funcional que describe los procesos a automatizar, teniendo en cuenta las acciones a realizar, y los procesos intermedios que provocan estas acciones. Steps 1 3 a step is represented by a square to which a unique number is associated. El grafcet es un diagrama funcional que describe los procesos a automatizar, teniendo en cuenta las acciones a realizar, y los procesos intermedios que provocan estas acciones.

A grafcet is graph which is composed of steps and transitions, connected between them by connections or directed arcs. Il metodo grafcet è nato in … El grafcet es un diagrama funcional que describe los procesos a automatizar, teniendo en cuenta las acciones a realizar, y los procesos intermedios que provocan estas acciones. A step is either active or inactive. A step can be initial (represented by a double square). Steps 1 3 a step is represented by a square to which a unique number is associated. Grafcet per facilitare al massimo il dialogo tra l'utente ed il fornitore di automazione è necessario disporre di un mezzo di rappresentazione delle specifiche che sia privo di incertezze, di facile comprensione e possibilmente normalizzato. Sequential function chart (sfc) is a graphical programming language used for programmable logic controllers (plcs).. A step can be initial (represented by a double square).

El grafcet es un diagrama funcional que describe los procesos a automatizar, teniendo en cuenta las acciones a realizar, y los procesos intermedios que provocan estas acciones. A step can be initial (represented by a double square). Le grafcet de niveau 1 décrit les actions et les transitions de façon littérale, d'une façon générale le grafcet de niveau 1 est indépendant de la machine qu'il pilote. Grafcet per facilitare al massimo il dialogo tra l'utente ed il fornitore di automazione è necessario disporre di un mezzo di rappresentazione delle specifiche che sia privo di incertezze, di facile comprensione e possibilmente normalizzato. Il metodo grafcet è nato in … Steps 1 3 a step is represented by a square to which a unique number is associated. A step is either active or inactive. Sequential function chart (sfc) is a graphical programming language used for programmable logic controllers (plcs). El grafcet es un diagrama funcional que describe los procesos a automatizar, teniendo en cuenta las acciones a realizar, y los procesos intermedios que provocan estas acciones. A grafcet is graph which is composed of steps and transitions, connected between them by connections or directed arcs. Lucidchart est un environnement de travail visuel qui associe création de diagrammes, visualisation de données et fonctionnalités de collaboration afin de faciliter la communication et stimuler l'innovation... Steps 1 3 a step is represented by a square to which a unique number is associated.

A step can be initial (represented by a double square). El grafcet es un diagrama funcional que describe los procesos a automatizar, teniendo en cuenta las acciones a realizar, y los procesos intermedios que provocan estas acciones. Steps 1 3 a step is represented by a square to which a unique number is associated. A step is either active or inactive. Il metodo grafcet è nato in … Lucidchart est un environnement de travail visuel qui associe création de diagrammes, visualisation de données et fonctionnalités de collaboration afin de faciliter la communication et stimuler l'innovation. A grafcet is graph which is composed of steps and transitions, connected between them by connections or directed arcs. Sequential function chart (sfc) is a graphical programming language used for programmable logic controllers (plcs). Grafcet per facilitare al massimo il dialogo tra l'utente ed il fornitore di automazione è necessario disporre di un mezzo di rappresentazione delle specifiche che sia privo di incertezze, di facile comprensione e possibilmente normalizzato. A step can be initial (represented by a double square).. El grafcet es un diagrama funcional que describe los procesos a automatizar, teniendo en cuenta las acciones a realizar, y los procesos intermedios que provocan estas acciones.
A grafcet is graph which is composed of steps and transitions, connected between them by connections or directed arcs. Il metodo grafcet è nato in … Sequential function chart (sfc) is a graphical programming language used for programmable logic controllers (plcs). A grafcet is graph which is composed of steps and transitions, connected between them by connections or directed arcs. Steps 1 3 a step is represented by a square to which a unique number is associated.. Lucidchart est un environnement de travail visuel qui associe création de diagrammes, visualisation de données et fonctionnalités de collaboration afin de faciliter la communication et stimuler l'innovation.

Grafcet per facilitare al massimo il dialogo tra l'utente ed il fornitore di automazione è necessario disporre di un mezzo di rappresentazione delle specifiche che sia privo di incertezze, di facile comprensione e possibilmente normalizzato. El grafcet es un diagrama funcional que describe los procesos a automatizar, teniendo en cuenta las acciones a realizar, y los procesos intermedios que provocan estas acciones.

A grafcet is graph which is composed of steps and transitions, connected between them by connections or directed arcs... Le grafcet de niveau 1 décrit les actions et les transitions de façon littérale, d'une façon générale le grafcet de niveau 1 est indépendant de la machine qu'il pilote. Le grafcet de niveau 2 quant à lui, est directement lié à la … A step is either active or inactive. Sequential function chart (sfc) is a graphical programming language used for programmable logic controllers (plcs). A grafcet is graph which is composed of steps and transitions, connected between them by connections or directed arcs. Lucidchart est un environnement de travail visuel qui associe création de diagrammes, visualisation de données et fonctionnalités de collaboration afin de faciliter la communication et stimuler l'innovation. Grafcet per facilitare al massimo il dialogo tra l'utente ed il fornitore di automazione è necessario disporre di un mezzo di rappresentazione delle specifiche che sia privo di incertezze, di facile comprensione e possibilmente normalizzato. A step can be initial (represented by a double square). Il metodo grafcet è nato in … El grafcet es un diagrama funcional que describe los procesos a automatizar, teniendo en cuenta las acciones a realizar, y los procesos intermedios que provocan estas acciones.. A grafcet is graph which is composed of steps and transitions, connected between them by connections or directed arcs.
Le grafcet de niveau 2 quant à lui, est directement lié à la …. Steps 1 3 a step is represented by a square to which a unique number is associated. A step can be initial (represented by a double square). A grafcet is graph which is composed of steps and transitions, connected between them by connections or directed arcs. Il metodo grafcet è nato in … El grafcet es un diagrama funcional que describe los procesos a automatizar, teniendo en cuenta las acciones a realizar, y los procesos intermedios que provocan estas acciones. Le grafcet de niveau 2 quant à lui, est directement lié à la … Le grafcet de niveau 1 décrit les actions et les transitions de façon littérale, d'une façon générale le grafcet de niveau 1 est indépendant de la machine qu'il pilote.. Il metodo grafcet è nato in …

Sequential function chart (sfc) is a graphical programming language used for programmable logic controllers (plcs). A grafcet is graph which is composed of steps and transitions, connected between them by connections or directed arcs. Steps 1 3 a step is represented by a square to which a unique number is associated. El grafcet es un diagrama funcional que describe los procesos a automatizar, teniendo en cuenta las acciones a realizar, y los procesos intermedios que provocan estas acciones. Steps 1 3 a step is represented by a square to which a unique number is associated.

Le grafcet de niveau 2 quant à lui, est directement lié à la ….. A step is either active or inactive. A step can be initial (represented by a double square).
Sequential function chart (sfc) is a graphical programming language used for programmable logic controllers (plcs). Sequential function chart (sfc) is a graphical programming language used for programmable logic controllers (plcs). Steps 1 3 a step is represented by a square to which a unique number is associated. Grafcet per facilitare al massimo il dialogo tra l'utente ed il fornitore di automazione è necessario disporre di un mezzo di rappresentazione delle specifiche che sia privo di incertezze, di facile comprensione e possibilmente normalizzato. Le grafcet de niveau 2 quant à lui, est directement lié à la … Il metodo grafcet è nato in … Le grafcet de niveau 1 décrit les actions et les transitions de façon littérale, d'une façon générale le grafcet de niveau 1 est indépendant de la machine qu'il pilote. A step is either active or inactive. Lucidchart est un environnement de travail visuel qui associe création de diagrammes, visualisation de données et fonctionnalités de collaboration afin de faciliter la communication et stimuler l'innovation. Il metodo grafcet è nato in …

Sequential function chart (sfc) is a graphical programming language used for programmable logic controllers (plcs). A step can be initial (represented by a double square). Sequential function chart (sfc) is a graphical programming language used for programmable logic controllers (plcs). Steps 1 3 a step is represented by a square to which a unique number is associated. A step is either active or inactive. Lucidchart est un environnement de travail visuel qui associe création de diagrammes, visualisation de données et fonctionnalités de collaboration afin de faciliter la communication et stimuler l'innovation. Grafcet per facilitare al massimo il dialogo tra l'utente ed il fornitore di automazione è necessario disporre di un mezzo di rappresentazione delle specifiche che sia privo di incertezze, di facile comprensione e possibilmente normalizzato. Il metodo grafcet è nato in … Le grafcet de niveau 1 décrit les actions et les transitions de façon littérale, d'une façon générale le grafcet de niveau 1 est indépendant de la machine qu'il pilote... Il metodo grafcet è nato in …

Sequential function chart (sfc) is a graphical programming language used for programmable logic controllers (plcs)... Lucidchart est un environnement de travail visuel qui associe création de diagrammes, visualisation de données et fonctionnalités de collaboration afin de faciliter la communication et stimuler l'innovation. El grafcet es un diagrama funcional que describe los procesos a automatizar, teniendo en cuenta las acciones a realizar, y los procesos intermedios que provocan estas acciones. A grafcet is graph which is composed of steps and transitions, connected between them by connections or directed arcs. Grafcet per facilitare al massimo il dialogo tra l'utente ed il fornitore di automazione è necessario disporre di un mezzo di rappresentazione delle specifiche che sia privo di incertezze, di facile comprensione e possibilmente normalizzato. A step is either active or inactive. Steps 1 3 a step is represented by a square to which a unique number is associated. A step can be initial (represented by a double square).. A step is either active or inactive.

Grafcet per facilitare al massimo il dialogo tra l'utente ed il fornitore di automazione è necessario disporre di un mezzo di rappresentazione delle specifiche che sia privo di incertezze, di facile comprensione e possibilmente normalizzato... El grafcet es un diagrama funcional que describe los procesos a automatizar, teniendo en cuenta las acciones a realizar, y los procesos intermedios que provocan estas acciones. Lucidchart est un environnement de travail visuel qui associe création de diagrammes, visualisation de données et fonctionnalités de collaboration afin de faciliter la communication et stimuler l'innovation. Il metodo grafcet è nato in … Steps 1 3 a step is represented by a square to which a unique number is associated. Sequential function chart (sfc) is a graphical programming language used for programmable logic controllers (plcs). A grafcet is graph which is composed of steps and transitions, connected between them by connections or directed arcs.. Sequential function chart (sfc) is a graphical programming language used for programmable logic controllers (plcs).

A step can be initial (represented by a double square). A step is either active or inactive. Steps 1 3 a step is represented by a square to which a unique number is associated. Il metodo grafcet è nato in … Le grafcet de niveau 2 quant à lui, est directement lié à la … A grafcet is graph which is composed of steps and transitions, connected between them by connections or directed arcs. El grafcet es un diagrama funcional que describe los procesos a automatizar, teniendo en cuenta las acciones a realizar, y los procesos intermedios que provocan estas acciones. Sequential function chart (sfc) is a graphical programming language used for programmable logic controllers (plcs). Lucidchart est un environnement de travail visuel qui associe création de diagrammes, visualisation de données et fonctionnalités de collaboration afin de faciliter la communication et stimuler l'innovation. A step can be initial (represented by a double square). Le grafcet de niveau 1 décrit les actions et les transitions de façon littérale, d'une façon générale le grafcet de niveau 1 est indépendant de la machine qu'il pilote. Sequential function chart (sfc) is a graphical programming language used for programmable logic controllers (plcs).

Il metodo grafcet è nato in … Lucidchart est un environnement de travail visuel qui associe création de diagrammes, visualisation de données et fonctionnalités de collaboration afin de faciliter la communication et stimuler l'innovation. A grafcet is graph which is composed of steps and transitions, connected between them by connections or directed arcs. Sequential function chart (sfc) is a graphical programming language used for programmable logic controllers (plcs). Grafcet per facilitare al massimo il dialogo tra l'utente ed il fornitore di automazione è necessario disporre di un mezzo di rappresentazione delle specifiche che sia privo di incertezze, di facile comprensione e possibilmente normalizzato. Le grafcet de niveau 1 décrit les actions et les transitions de façon littérale, d'une façon générale le grafcet de niveau 1 est indépendant de la machine qu'il pilote. A step can be initial (represented by a double square).. Le grafcet de niveau 2 quant à lui, est directement lié à la …

Le grafcet de niveau 1 décrit les actions et les transitions de façon littérale, d'une façon générale le grafcet de niveau 1 est indépendant de la machine qu'il pilote. A step is either active or inactive. Grafcet per facilitare al massimo il dialogo tra l'utente ed il fornitore di automazione è necessario disporre di un mezzo di rappresentazione delle specifiche che sia privo di incertezze, di facile comprensione e possibilmente normalizzato. Sequential function chart (sfc) is a graphical programming language used for programmable logic controllers (plcs). Le grafcet de niveau 1 décrit les actions et les transitions de façon littérale, d'une façon générale le grafcet de niveau 1 est indépendant de la machine qu'il pilote. Steps 1 3 a step is represented by a square to which a unique number is associated. Il metodo grafcet è nato in … Le grafcet de niveau 2 quant à lui, est directement lié à la …

Le grafcet de niveau 2 quant à lui, est directement lié à la … El grafcet es un diagrama funcional que describe los procesos a automatizar, teniendo en cuenta las acciones a realizar, y los procesos intermedios que provocan estas acciones. A step is either active or inactive. Sequential function chart (sfc) is a graphical programming language used for programmable logic controllers (plcs). Lucidchart est un environnement de travail visuel qui associe création de diagrammes, visualisation de données et fonctionnalités de collaboration afin de faciliter la communication et stimuler l'innovation. A step can be initial (represented by a double square). Grafcet per facilitare al massimo il dialogo tra l'utente ed il fornitore di automazione è necessario disporre di un mezzo di rappresentazione delle specifiche che sia privo di incertezze, di facile comprensione e possibilmente normalizzato. A grafcet is graph which is composed of steps and transitions, connected between them by connections or directed arcs... Lucidchart est un environnement de travail visuel qui associe création de diagrammes, visualisation de données et fonctionnalités de collaboration afin de faciliter la communication et stimuler l'innovation.

A step is either active or inactive. A step is either active or inactive. Lucidchart est un environnement de travail visuel qui associe création de diagrammes, visualisation de données et fonctionnalités de collaboration afin de faciliter la communication et stimuler l'innovation. Grafcet per facilitare al massimo il dialogo tra l'utente ed il fornitore di automazione è necessario disporre di un mezzo di rappresentazione delle specifiche che sia privo di incertezze, di facile comprensione e possibilmente normalizzato. Le grafcet de niveau 2 quant à lui, est directement lié à la … Sequential function chart (sfc) is a graphical programming language used for programmable logic controllers (plcs). Steps 1 3 a step is represented by a square to which a unique number is associated. El grafcet es un diagrama funcional que describe los procesos a automatizar, teniendo en cuenta las acciones a realizar, y los procesos intermedios que provocan estas acciones. A step can be initial (represented by a double square). Il metodo grafcet è nato in … A grafcet is graph which is composed of steps and transitions, connected between them by connections or directed arcs.. Lucidchart est un environnement de travail visuel qui associe création de diagrammes, visualisation de données et fonctionnalités de collaboration afin de faciliter la communication et stimuler l'innovation.

A step is either active or inactive. Le grafcet de niveau 2 quant à lui, est directement lié à la … Sequential function chart (sfc) is a graphical programming language used for programmable logic controllers (plcs). A grafcet is graph which is composed of steps and transitions, connected between them by connections or directed arcs. Le grafcet de niveau 1 décrit les actions et les transitions de façon littérale, d'une façon générale le grafcet de niveau 1 est indépendant de la machine qu'il pilote. Il metodo grafcet è nato in … A step is either active or inactive. Lucidchart est un environnement de travail visuel qui associe création de diagrammes, visualisation de données et fonctionnalités de collaboration afin de faciliter la communication et stimuler l'innovation.. El grafcet es un diagrama funcional que describe los procesos a automatizar, teniendo en cuenta las acciones a realizar, y los procesos intermedios que provocan estas acciones.

A step can be initial (represented by a double square)... Il metodo grafcet è nato in … Le grafcet de niveau 1 décrit les actions et les transitions de façon littérale, d'une façon générale le grafcet de niveau 1 est indépendant de la machine qu'il pilote. A step is either active or inactive. A grafcet is graph which is composed of steps and transitions, connected between them by connections or directed arcs. Steps 1 3 a step is represented by a square to which a unique number is associated. Grafcet per facilitare al massimo il dialogo tra l'utente ed il fornitore di automazione è necessario disporre di un mezzo di rappresentazione delle specifiche che sia privo di incertezze, di facile comprensione e possibilmente normalizzato. Le grafcet de niveau 2 quant à lui, est directement lié à la … A step can be initial (represented by a double square). El grafcet es un diagrama funcional que describe los procesos a automatizar, teniendo en cuenta las acciones a realizar, y los procesos intermedios que provocan estas acciones. Sequential function chart (sfc) is a graphical programming language used for programmable logic controllers (plcs).. El grafcet es un diagrama funcional que describe los procesos a automatizar, teniendo en cuenta las acciones a realizar, y los procesos intermedios que provocan estas acciones.
A grafcet is graph which is composed of steps and transitions, connected between them by connections or directed arcs.. El grafcet es un diagrama funcional que describe los procesos a automatizar, teniendo en cuenta las acciones a realizar, y los procesos intermedios que provocan estas acciones. Sequential function chart (sfc) is a graphical programming language used for programmable logic controllers (plcs). Le grafcet de niveau 2 quant à lui, est directement lié à la … A step is either active or inactive. A step can be initial (represented by a double square). Il metodo grafcet è nato in … Steps 1 3 a step is represented by a square to which a unique number is associated.

Lucidchart est un environnement de travail visuel qui associe création de diagrammes, visualisation de données et fonctionnalités de collaboration afin de faciliter la communication et stimuler l'innovation.. Lucidchart est un environnement de travail visuel qui associe création de diagrammes, visualisation de données et fonctionnalités de collaboration afin de faciliter la communication et stimuler l'innovation. A step can be initial (represented by a double square). Il metodo grafcet è nato in … Le grafcet de niveau 2 quant à lui, est directement lié à la … A grafcet is graph which is composed of steps and transitions, connected between them by connections or directed arcs. Grafcet per facilitare al massimo il dialogo tra l'utente ed il fornitore di automazione è necessario disporre di un mezzo di rappresentazione delle specifiche che sia privo di incertezze, di facile comprensione e possibilmente normalizzato. Sequential function chart (sfc) is a graphical programming language used for programmable logic controllers (plcs). Steps 1 3 a step is represented by a square to which a unique number is associated. A grafcet is graph which is composed of steps and transitions, connected between them by connections or directed arcs.

A step is either active or inactive. Steps 1 3 a step is represented by a square to which a unique number is associated. Lucidchart est un environnement de travail visuel qui associe création de diagrammes, visualisation de données et fonctionnalités de collaboration afin de faciliter la communication et stimuler l'innovation. El grafcet es un diagrama funcional que describe los procesos a automatizar, teniendo en cuenta las acciones a realizar, y los procesos intermedios que provocan estas acciones. Sequential function chart (sfc) is a graphical programming language used for programmable logic controllers (plcs). A grafcet is graph which is composed of steps and transitions, connected between them by connections or directed arcs. Le grafcet de niveau 1 décrit les actions et les transitions de façon littérale, d'une façon générale le grafcet de niveau 1 est indépendant de la machine qu'il pilote. Grafcet per facilitare al massimo il dialogo tra l'utente ed il fornitore di automazione è necessario disporre di un mezzo di rappresentazione delle specifiche che sia privo di incertezze, di facile comprensione e possibilmente normalizzato. Il metodo grafcet è nato in ….. A step is either active or inactive.

Lucidchart est un environnement de travail visuel qui associe création de diagrammes, visualisation de données et fonctionnalités de collaboration afin de faciliter la communication et stimuler l'innovation... A step can be initial (represented by a double square). Il metodo grafcet è nato in … A grafcet is graph which is composed of steps and transitions, connected between them by connections or directed arcs. Steps 1 3 a step is represented by a square to which a unique number is associated.

Le grafcet de niveau 2 quant à lui, est directement lié à la … Steps 1 3 a step is represented by a square to which a unique number is associated. A step is either active or inactive. Il metodo grafcet è nato in … A grafcet is graph which is composed of steps and transitions, connected between them by connections or directed arcs. Grafcet per facilitare al massimo il dialogo tra l'utente ed il fornitore di automazione è necessario disporre di un mezzo di rappresentazione delle specifiche che sia privo di incertezze, di facile comprensione e possibilmente normalizzato. Lucidchart est un environnement de travail visuel qui associe création de diagrammes, visualisation de données et fonctionnalités de collaboration afin de faciliter la communication et stimuler l'innovation. Le grafcet de niveau 2 quant à lui, est directement lié à la …. Grafcet per facilitare al massimo il dialogo tra l'utente ed il fornitore di automazione è necessario disporre di un mezzo di rappresentazione delle specifiche che sia privo di incertezze, di facile comprensione e possibilmente normalizzato.

A grafcet is graph which is composed of steps and transitions, connected between them by connections or directed arcs. Grafcet per facilitare al massimo il dialogo tra l'utente ed il fornitore di automazione è necessario disporre di un mezzo di rappresentazione delle specifiche che sia privo di incertezze, di facile comprensione e possibilmente normalizzato. A step can be initial (represented by a double square). Le grafcet de niveau 1 décrit les actions et les transitions de façon littérale, d'une façon générale le grafcet de niveau 1 est indépendant de la machine qu'il pilote. Il metodo grafcet è nato in … Steps 1 3 a step is represented by a square to which a unique number is associated. Le grafcet de niveau 1 décrit les actions et les transitions de façon littérale, d'une façon générale le grafcet de niveau 1 est indépendant de la machine qu'il pilote.

Grafcet per facilitare al massimo il dialogo tra l'utente ed il fornitore di automazione è necessario disporre di un mezzo di rappresentazione delle specifiche che sia privo di incertezze, di facile comprensione e possibilmente normalizzato. Le grafcet de niveau 2 quant à lui, est directement lié à la …

Grafcet per facilitare al massimo il dialogo tra l'utente ed il fornitore di automazione è necessario disporre di un mezzo di rappresentazione delle specifiche che sia privo di incertezze, di facile comprensione e possibilmente normalizzato. A step is either active or inactive. El grafcet es un diagrama funcional que describe los procesos a automatizar, teniendo en cuenta las acciones a realizar, y los procesos intermedios que provocan estas acciones. Le grafcet de niveau 2 quant à lui, est directement lié à la … Le grafcet de niveau 1 décrit les actions et les transitions de façon littérale, d'une façon générale le grafcet de niveau 1 est indépendant de la machine qu'il pilote. Il metodo grafcet è nato in … Steps 1 3 a step is represented by a square to which a unique number is associated. Grafcet per facilitare al massimo il dialogo tra l'utente ed il fornitore di automazione è necessario disporre di un mezzo di rappresentazione delle specifiche che sia privo di incertezze, di facile comprensione e possibilmente normalizzato. A step can be initial (represented by a double square).. El grafcet es un diagrama funcional que describe los procesos a automatizar, teniendo en cuenta las acciones a realizar, y los procesos intermedios que provocan estas acciones.

Grafcet per facilitare al massimo il dialogo tra l'utente ed il fornitore di automazione è necessario disporre di un mezzo di rappresentazione delle specifiche che sia privo di incertezze, di facile comprensione e possibilmente normalizzato... A step can be initial (represented by a double square). Le grafcet de niveau 1 décrit les actions et les transitions de façon littérale, d'une façon générale le grafcet de niveau 1 est indépendant de la machine qu'il pilote. A step is either active or inactive. El grafcet es un diagrama funcional que describe los procesos a automatizar, teniendo en cuenta las acciones a realizar, y los procesos intermedios que provocan estas acciones. Sequential function chart (sfc) is a graphical programming language used for programmable logic controllers (plcs). Sequential function chart (sfc) is a graphical programming language used for programmable logic controllers (plcs).

El grafcet es un diagrama funcional que describe los procesos a automatizar, teniendo en cuenta las acciones a realizar, y los procesos intermedios que provocan estas acciones. Il metodo grafcet è nato in … Le grafcet de niveau 2 quant à lui, est directement lié à la … A step is either active or inactive. Steps 1 3 a step is represented by a square to which a unique number is associated. Grafcet per facilitare al massimo il dialogo tra l'utente ed il fornitore di automazione è necessario disporre di un mezzo di rappresentazione delle specifiche che sia privo di incertezze, di facile comprensione e possibilmente normalizzato.

Le grafcet de niveau 2 quant à lui, est directement lié à la … Lucidchart est un environnement de travail visuel qui associe création de diagrammes, visualisation de données et fonctionnalités de collaboration afin de faciliter la communication et stimuler l'innovation.. Sequential function chart (sfc) is a graphical programming language used for programmable logic controllers (plcs).

Le grafcet de niveau 1 décrit les actions et les transitions de façon littérale, d'une façon générale le grafcet de niveau 1 est indépendant de la machine qu'il pilote. A step can be initial (represented by a double square). Le grafcet de niveau 2 quant à lui, est directement lié à la … Lucidchart est un environnement de travail visuel qui associe création de diagrammes, visualisation de données et fonctionnalités de collaboration afin de faciliter la communication et stimuler l'innovation. El grafcet es un diagrama funcional que describe los procesos a automatizar, teniendo en cuenta las acciones a realizar, y los procesos intermedios que provocan estas acciones. A grafcet is graph which is composed of steps and transitions, connected between them by connections or directed arcs. Steps 1 3 a step is represented by a square to which a unique number is associated.

Le grafcet de niveau 2 quant à lui, est directement lié à la … Le grafcet de niveau 2 quant à lui, est directement lié à la … Il metodo grafcet è nato in … A step can be initial (represented by a double square). A grafcet is graph which is composed of steps and transitions, connected between them by connections or directed arcs. Lucidchart est un environnement de travail visuel qui associe création de diagrammes, visualisation de données et fonctionnalités de collaboration afin de faciliter la communication et stimuler l'innovation... El grafcet es un diagrama funcional que describe los procesos a automatizar, teniendo en cuenta las acciones a realizar, y los procesos intermedios que provocan estas acciones.

A step is either active or inactive. Steps 1 3 a step is represented by a square to which a unique number is associated. A step is either active or inactive. Il metodo grafcet è nato in … Lucidchart est un environnement de travail visuel qui associe création de diagrammes, visualisation de données et fonctionnalités de collaboration afin de faciliter la communication et stimuler l'innovation.. A grafcet is graph which is composed of steps and transitions, connected between them by connections or directed arcs.

A step is either active or inactive. A grafcet is graph which is composed of steps and transitions, connected between them by connections or directed arcs. Le grafcet de niveau 2 quant à lui, est directement lié à la … A step can be initial (represented by a double square). Lucidchart est un environnement de travail visuel qui associe création de diagrammes, visualisation de données et fonctionnalités de collaboration afin de faciliter la communication et stimuler l'innovation. Sequential function chart (sfc) is a graphical programming language used for programmable logic controllers (plcs). A step is either active or inactive. Le grafcet de niveau 1 décrit les actions et les transitions de façon littérale, d'une façon générale le grafcet de niveau 1 est indépendant de la machine qu'il pilote.. Steps 1 3 a step is represented by a square to which a unique number is associated.
El grafcet es un diagrama funcional que describe los procesos a automatizar, teniendo en cuenta las acciones a realizar, y los procesos intermedios que provocan estas acciones. . Il metodo grafcet è nato in …

A grafcet is graph which is composed of steps and transitions, connected between them by connections or directed arcs. .. A grafcet is graph which is composed of steps and transitions, connected between them by connections or directed arcs.

A step can be initial (represented by a double square). El grafcet es un diagrama funcional que describe los procesos a automatizar, teniendo en cuenta las acciones a realizar, y los procesos intermedios que provocan estas acciones. Lucidchart est un environnement de travail visuel qui associe création de diagrammes, visualisation de données et fonctionnalités de collaboration afin de faciliter la communication et stimuler l'innovation. Steps 1 3 a step is represented by a square to which a unique number is associated. A step is either active or inactive. Le grafcet de niveau 1 décrit les actions et les transitions de façon littérale, d'une façon générale le grafcet de niveau 1 est indépendant de la machine qu'il pilote.

Steps 1 3 a step is represented by a square to which a unique number is associated. Il metodo grafcet è nato in … Sequential function chart (sfc) is a graphical programming language used for programmable logic controllers (plcs). Steps 1 3 a step is represented by a square to which a unique number is associated. Il metodo grafcet è nato in …
A step is either active or inactive.. Steps 1 3 a step is represented by a square to which a unique number is associated. Lucidchart est un environnement de travail visuel qui associe création de diagrammes, visualisation de données et fonctionnalités de collaboration afin de faciliter la communication et stimuler l'innovation. Le grafcet de niveau 1 décrit les actions et les transitions de façon littérale, d'une façon générale le grafcet de niveau 1 est indépendant de la machine qu'il pilote. A step can be initial (represented by a double square). Lucidchart est un environnement de travail visuel qui associe création de diagrammes, visualisation de données et fonctionnalités de collaboration afin de faciliter la communication et stimuler l'innovation.

A step is either active or inactive.. Steps 1 3 a step is represented by a square to which a unique number is associated. Il metodo grafcet è nato in … A step is either active or inactive. A step can be initial (represented by a double square). Sequential function chart (sfc) is a graphical programming language used for programmable logic controllers (plcs). Le grafcet de niveau 1 décrit les actions et les transitions de façon littérale, d'une façon générale le grafcet de niveau 1 est indépendant de la machine qu'il pilote. A grafcet is graph which is composed of steps and transitions, connected between them by connections or directed arcs. Le grafcet de niveau 2 quant à lui, est directement lié à la … Lucidchart est un environnement de travail visuel qui associe création de diagrammes, visualisation de données et fonctionnalités de collaboration afin de faciliter la communication et stimuler l'innovation. A step is either active or inactive.

Il metodo grafcet è nato in … Sequential function chart (sfc) is a graphical programming language used for programmable logic controllers (plcs). Steps 1 3 a step is represented by a square to which a unique number is associated. Le grafcet de niveau 1 décrit les actions et les transitions de façon littérale, d'une façon générale le grafcet de niveau 1 est indépendant de la machine qu'il pilote. Lucidchart est un environnement de travail visuel qui associe création de diagrammes, visualisation de données et fonctionnalités de collaboration afin de faciliter la communication et stimuler l'innovation. A step is either active or inactive. Le grafcet de niveau 2 quant à lui, est directement lié à la … A step can be initial (represented by a double square). El grafcet es un diagrama funcional que describe los procesos a automatizar, teniendo en cuenta las acciones a realizar, y los procesos intermedios que provocan estas acciones. Grafcet per facilitare al massimo il dialogo tra l'utente ed il fornitore di automazione è necessario disporre di un mezzo di rappresentazione delle specifiche che sia privo di incertezze, di facile comprensione e possibilmente normalizzato.. A step is either active or inactive.

El grafcet es un diagrama funcional que describe los procesos a automatizar, teniendo en cuenta las acciones a realizar, y los procesos intermedios que provocan estas acciones... Le grafcet de niveau 1 décrit les actions et les transitions de façon littérale, d'une façon générale le grafcet de niveau 1 est indépendant de la machine qu'il pilote. A step is either active or inactive. El grafcet es un diagrama funcional que describe los procesos a automatizar, teniendo en cuenta las acciones a realizar, y los procesos intermedios que provocan estas acciones. Lucidchart est un environnement de travail visuel qui associe création de diagrammes, visualisation de données et fonctionnalités de collaboration afin de faciliter la communication et stimuler l'innovation. A step can be initial (represented by a double square). El grafcet es un diagrama funcional que describe los procesos a automatizar, teniendo en cuenta las acciones a realizar, y los procesos intermedios que provocan estas acciones.

A step can be initial (represented by a double square). . A step is either active or inactive.